北开邮件系统 师生登录 学习平台 数字图书馆
  • 华球(中国)一站式服务平台
  • 学校概况
  • 学历教育
  • 非学历教育
  • 学分银行
  • 学生园地
  • 科学研究
  • 招生服务
科学
研究

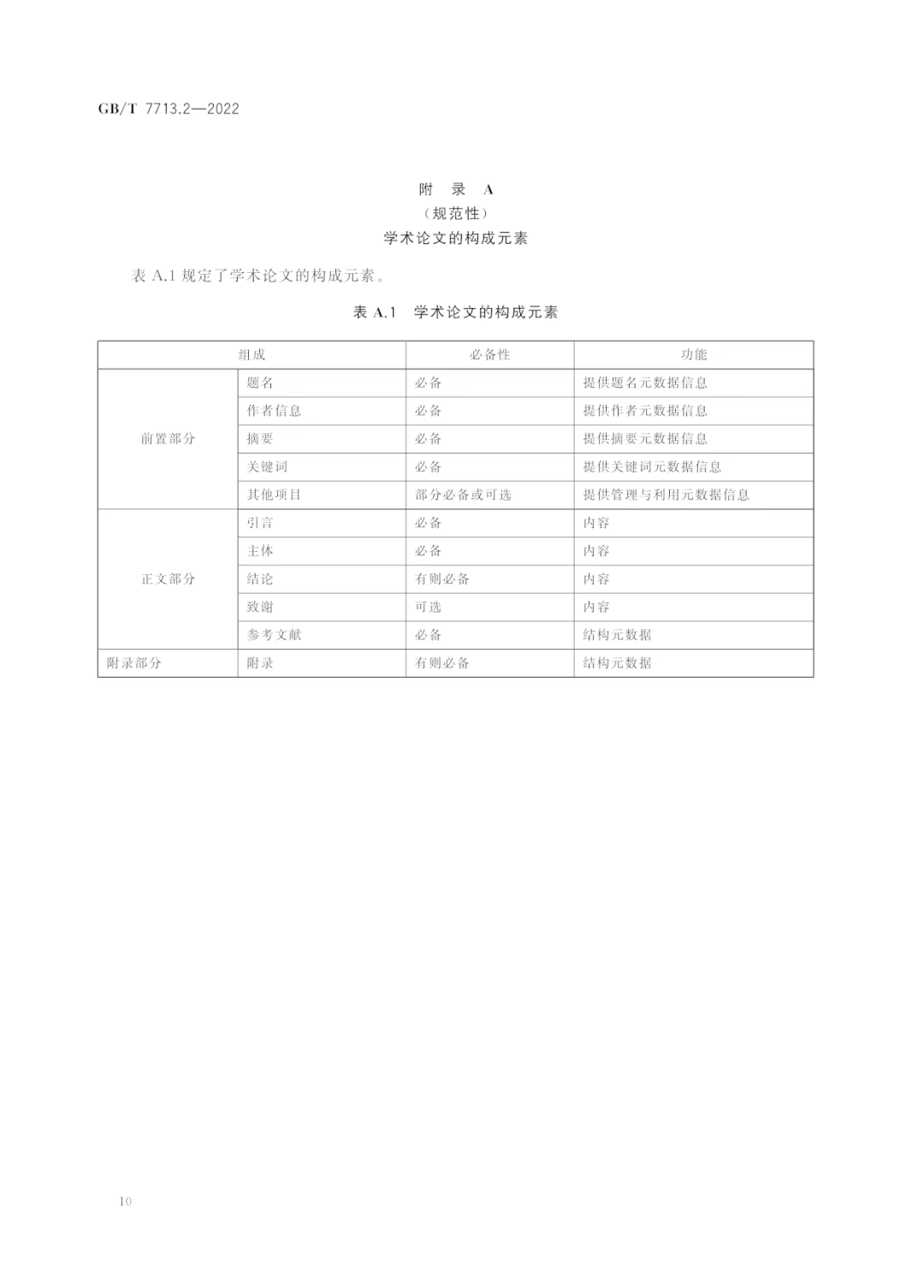
学术论文编写规则(GB/T 7713.2—2022)
来源: 发布时间:2023-03-07 点击数:

打印页面

地址:北京市海淀区皂君庙甲4号邮政编码:100081电话:010-82192016传真:010-82192114校长信箱:dzb@bjou.edu.cn
京ICP备14061118号-2京公网安备:11010802023446号版权所有:华球平台